Drawing Graphs of PET data
Plotting time-activity curves
Using worksheet software
TAC datafiles can be imported directly, or after removing title information with dft2dat, to MS Excel, OpenOffice Spreadsheet, or any other spreadsheet or other program that you are familiar with. However, you may lose the formatting, and in most European countries there is an issue with decimal separator.
We suggest that you should convert data files into HTML table format, and import the HTML table into spreadsheet programs. This solves the problem with decimal separator, and also preserves the column structure of the data.
Alternatively, you can convert data files into CSV format, entering appropriate options to deal with decimal and column separators, when necessary. At least MS Excel can then correctly import these .csv files.
For drawing publication quality graphics, use Origin; Turku PET Centre has licence to Origin, please ask IT group to install it to your PC. User's manual is available in PET Centre Intranet > Instructions > Origin75. Spreadsheet data can be copy-pasted from Excel into Origin worksheet.
Plotting data in PostScript (PS) format
Rather than plotting the curves by yourself, you can use dft2ps to create a PostScript file (*.ps). PostScript image can be displayed directly without any additional software in SUN/Solaris and Linux. In MS Windows, you need to download and install GSview and AFPL GhostScript.
If you plan to distribute the graphs to others, it certainly is useful to
convert the PostScript files into Acrobat PDF files using program
ps2pdf (comes with GSview/GhostScript), because Acrobat viewer is
usually available on all computers.
Drawing TACs in SVG format
PET curves can be drawn in SVG files and then viewed or printed with any up-to-date web browser; however, Internet Explorer can not open SVG files unless a plugin is installed. A suitable and free plugin for Internet Explorer is Renesis Player by examotion. Renesis Player can also be installed as stand-alone application for viewing and printing SVG files.
Tools
Plotting fitted curves
When a mathematical function or model is fitted to the time-activity curves, it is necessary to check by eye the goodness of the fit. The fitted curve data can often be saved when the fitting is done. From fits to mathematical functions, the fitted curve can then be produced using fit2dat. Program dft2ps or dft2svg can then be used to plot both the measured data and fitted curve(s) in the same graph.
Viewing PET frames
If data needs to be plotted with bars representing the PET frames, program dft2frpl can be used to transform TAC files to contain both frame start and and end times in the x axis.
Drawing Patlak and Logan plots
When using multiple-time graphical analysis (MTGA) methods (Gjedde-Patlak, Logan, or Yokoi plots), the quality of linear fit, and that selected fit range is appropriate, must be checked visually in each study.
Drawing plots in SVG format
The latest versions of patlak and logan can optionally save the plots in Scalable Vector Graphics files.
Drawing plots in worksheet software
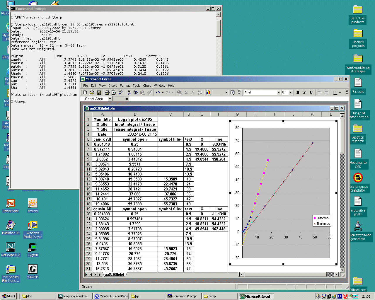
The plot data can optionally be saved in HTML table files when using patlak, logan, yokoi, or mpatlak. These *.htm or *.html files can then be imported for example in MS Excel, where the plot data and fitted lines can be drawn, or copied to Origin to make publication quality images.
Plot data files contain several tables: First there is a table containing information for all plots: e.g. the axis titles, and the calculation date. Then there are the regional plots each in its own table. First column contains the x-axis plot values, the second contains all y-axis values, and the 3rd column contains only those y-column values that were used to fit the line. After that, there is a column containing PET frame mid times; this is useful in determining the time range when the plot is linear.
Next two colums, containing less rows, contain data that can be used to drowthe fitted line. With the first two lines, a line to the end of fitted range can be drawn. Third row contains line coordinates to the end of all regional plot data (this is the same as the 2nd one, if line was fitted to the end of data). The 4th row can be used to extend the lines to same range for all regions.
Below is a screen capture of a Logan plot analysis of a raclopride study on PC / MS Windows 2000 and Excel 2000.
Viewing SVG files
Scalable Vector Graphics files can be viewed or printed with any up-to-date web browser; however, Internet Explorer can open SVG files only if a SVG plugin is installed.
Alternatively, SVG files can be converted to other graphics formats, for example using online tools, like Go2Convert; Software for viewing GIF, JPG, and PNG formats are available in every computer, and these formats can be added to MS Word and PowerPoint documents.
In Turku PET Centre you can convert SVG files to PDF or PNG formats
with commands svg2pdf or svg2png, respectively:
svg2pdf *.svg svg2png *.svg
If you need to convert SVG to PDF or SVG outside PET Centre, then install Batik SVG Toolkit (version 1.7 or later), and use SVG Rasterizer for the conversion.
To further process PNG, JPG or GIF images, install a photo editing software. A free command-line utility ImageMagick will be handy for automated processing of lots of graphics files. As an example, four PNG images can be joined together with command
montage +frame +shadow +label -tile 2x2 -geometry 100%x100%+0+0 img1.png img2.png img3.png img4.png joined.png

